新闻中心
接地百年——PE线在电击防护中不可或缺的重要作用
发表时间:2023-07-07 22:44:07



接地百年
——PE线在电击防护中不可或缺的重要作用


0
前言


某行业年会上,一份专题报告提出当前的保护系统不安全,要求取消PE导体、设置多级剩余电流保护,引起部分用户恐慌。


1
接地系统演变


接地系统是世界范围内提高人身安全而长期探索的结果。

1880年到1920年之间,电能的传输和分配采用中性点不接地方式。当时家庭中的电压是交流100/110V,当时考虑较多的是防火问题,触电虽有发生,但电击死亡情况很少。

早期的IT系统 (1920年)

1882年,英国布线规程第一版提到关注人身安全:人不应被暴露在超过60V的环境,同一个房间的两点之间不应该超过200V。1924年的第八版中,首次要求家用电器的金属外壳应接地。

1923年,法国电气安装标准要求以下设备外壳必须接地:

——非绝缘环境中,电压大于150V的可能触及的固定或移动电机的外壳;

——大于4kW固定或便携式家用电器;

——浴室内安装的淋浴加热器附件;

——房屋内浸在导电液体中的金属部件,或发生绝缘故障时可能带电的金属部件。

1927年,法国规定电压不低于150V的公共配电系统的变压器中性点应接地。

早期的TT系统 (二十世纪20年代)

1973年,法国正式批准TN系统。

早期的TN系统

法国对低压系统接地做出过巨大贡献,时至今日,接地“T”仍沿用法语“Terre ”的缩写。


2
IEC安全标准


1967年,IEC委员会于设立了TC64“电气装置和电击防护技术委员会”,该技术委员会的任务是:为电击防护制定全面的安全标准,并为正确选择低压电气设备、安全用电制定标准。我国是TC64技术委员会正式成员国(P成员国,即积极成员)。

1977年,IEC 364-3 《建筑物电气装置 第三篇:一般性能的估计》(第一版 )定义了TN-S、TN-C-S、TN-C、TT和IT等接地型式,从此,在世界范围内传播应用。

IEC TC64标准科学、全面、系统地论述了低压电气工程安全技术的理论和技术规定,代表世界上在这一领域的先进技术水平,在国际上获得了广泛的认可和应用。

目前,欧洲主要工业发达国家直接将这些标准作为自己国家的工程建设低压电气工程标准和相关电气产品的安全标准美国和加拿大以IEC TC64制定的国际标准为基本原则调整自己的国家标准。日本从 2005年起开始采用IEC TC64制定的国际标准。


3
电流对人体的效应


为了在工程实践中安全地应用电能、预防电击,前人研究电流通过人体的效应,得到电流通过人体的约定时间/电流区域,见图4从曲线C1开始将出现致人死命的心室纤颤,因此,IEC标准将曲线C1作为人身安全的界限。为留有裕量,在制定安全措施时常以曲线LC作为依据。

图4 电流通过人体的约定时间/电流区域


在实际应用中以预期接触电压 Uc进行验算更为方便。为此I E C 标准又提出了人体对预期接触电压的生理反应曲线L,如图5。

图5 不同接触电压时的最大切除时间


更直观的预期接触电压与最大切断时间之间关系见表1。

表1预期接触电压与最大切断时间之间的关系


4
PE线的作用


4.1
降低预期接触电压

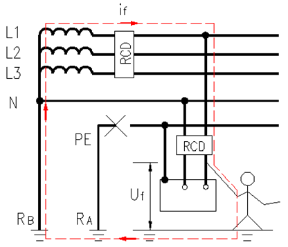
TN系统为例,故障防护时(见图6),预期接触电压典型值可通过下式估算:

Ut=0.8×220/2=88V

注:0.8——“做”保护等电位联结,接触电压的降低系数,取0 . 6~1 , 视电源线路长度而定,工程中常取0.8


6 TN系统有PE线的电击示例

7 TN系统无PE线的电击示例


PE线时(见图7),无低阻抗故障回路,人体的阻抗占主要部分,人所承受的预期接触电压接近220V。      

TN系统的PE线使预期接触电压大大降低。对照表1TN系统(有PE线)预期接触电压值88V对应最大切断电源时间约0.4s;而无PE线发生碰壳故障时,预期接触电压值220V对应最大切断电源时间约0.18s

类似情况,TT系统的预期接触电压为:,具体数值根据RARB情况确定;无PE线时,人体的阻抗占主要部分,预期接触电压接近220V

6 TT系统有PE线的电击示例

7 TT系统无PE线的电击示例


因此,TNTT系统的PE线使得预期接触电压大大降低,相应的电击风险也更低。

4.2
降低电击风险

TN、TT系统中,接地故障(间接接触故障)占主要部分,其预期接触电压较低,在约定时间内保护电器动作(LS或RCD),断开故障回路,通常不发生电击情况。

如果无PE线,情况则发生了变化,只有人体接触才能接通故障回路,发生跳闸,电击事故必然会出现。这种故障通常是直接接触故障(故障电压接近220V),电击风险更高,即使不会发生电死人的情况,仍然可能出现表2的电击生理效应,如“强烈的肌肉收缩,呼吸困难,可逆性的心跳功能障碍,活动抑制”等,这些不良生理效应是不期望出现的。

表2一手到双脚的通路,交流15Hz至100Hz的时间/电流区域

这类直接接触故障应选用不大于30mA RCD做为附加保护电器,但不能做为唯一的保护,需知RCD并非绝对保证有效的保护电器,它可能因为种种原因而拒动,RCD的故障率比LS高得多(一份研究标明,住宅使用的RCD故障率是断路器的18倍之多),一旦拒动,电死人的风险大增。当然,也可以采用两级RCD,此时上级RCD必然选择时间延时和容量分级,即使上级选100mA的延时型RCD也不能保障直接接触电击时的人身安全。

可见,无PE线情况下,全部故障电流经过人体,电击风险大大增加。

4.3
利于实施三重保护

2001年,IEC标准电击防护理论进一步发展为三重保护:基本防护、故障防护(间接接触防护)和附加防护。基本防护是提供正常状态下的防护。低压设备的带电部件,必须在整个过程中保持绝缘,或通过位置、布置或特殊装置防止直接接触,在此情况下采取的措施称为基本保护。故障保护是基本保护失效使外部导电部件出现故障电压,采用故障电流保护措施及时切断电源,避免电击风险,称为故障防护。实际工程中,基本防护和故障防护都有可能失效。通过设置30 mA剩余电流保护器和/或辅助等电位联结,提供附加保护,在技术上可以实现最低剩余风险。

“在没有保护导体的电路中使用剩余电流保护装置,即使额定工作剩余电流不超过30mA,也不应视为足以防止间接接触的措施”。IEC规定,没有PE线无法实施故障防护。

对于风险较大的场所,TN和TT系统可以实施三重保护;而没有PE线时,没有故障防护(间接接触防护),安全性大大降低。

4.4
保护等电位联结

保护等电位联结将进入每个建筑物内且容易引人危险电位差的非电气装置的金属部分,采用保护等电位联结导体连接至总接地端子。这些引入的金属部分包括:

——为建筑物提供服务的管道,例如气、水、区域供热系统等;

——外界可导电结构件;

——钢筋混凝土结构上可触及的钢筋。

实施保护等电位连接后,预期接触电压估算:其中PE导体阻抗,一般级,通常只有几伏,预期接触电压远低于特低安全电压,见图8。前面分析过,没有PE线时,预期接触电压接近220V。也就是说,即使没有其他保护措施,TNTT系统仅设置保护等电位联结也能保障人身安全;而无PE线则无此保障。

图8 保护等电位联结示意



5
结论


1923年法国要求设备外壳接地至今整100年,接地系统已经发展到比较完善的程度,我国国家标准全面采用IEC的系统接地型式。

当前,仍有人发表专题讲座提出我国的接地系统不安全,应“减去PE线”,本文试举PE线在电击防护方面的作用,敦促大家认清事实,不要被少数人的不当言论蒙蔽双眼。

TNTT系统有PE线和无PE线电击防护安全性差别巨大,见表3

表3有PE线和无PE线电击防护比较